Sanitary Fitting
Description:
Sanitary Fitting
Coupling Category
Medium Pressure Smooth Bore Fittings
Manufacturer
Teleflex
Stainless Steel |
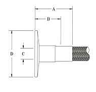
Hose Size |
Overall Length |
Deduct Length |
Nominal I.D. |
Bolt Hole Length |
In | In | In | In | ||
A | B | C | D | ||
101616 | -16 | 1.85 | .94 | .812 | 1.985 |

![]() |
WARNING: Cancer and Reproductive Harm - www.P65Warnings.ca.gov |